广州市唐安电子设备责任有限公司-为价值而生!
17101850785
食品包装机械出口的产品,使用的减速电机,日精品牌(常州产)质量可靠,货期短, 轻工业,一般使用的功率小,速比240左右,直交轴 ,节省空间,带刹车。 型号大部...
直交轴减速电机 GTR H2L28R40-CNB040TPCT 库存产品 2台;
广州市唐安特约经销 mitsubishi齿轮电机 三菱mitsubishi电机三菱mitsubishi减速机 三菱mitsubishi马达 三菱...
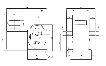
广州市唐安 GTR H2L28R20-CNB040TBCT 减速机 F2FB-15L-10-T40W H2L28R20-CNB040TNCT 广州市唐安 ...
广州汽车工厂生产线使用减速电机 GF15N025-CTBR90NCT640 , GF15N025-CTBR40NCX40,GL12N040-CTBL15NCX...
齿轮转向器,实现方向减速。 日精 日本原装进口,应用烟草设备,食品包装设备等,
厨房设备专用减速电机G3L50S100-WC15TVJEN F3S35N80-CNW040TVCE F3S45S80-WC08TVDE
1/80 (1/80.00) モータ仕様 モータ種類 インダクションモータ(ブレーキ付) モータ容量 三相 90 W 電圧/周波数/ 定格電流/定格回...
广州市唐安公司 代理株式会社日精NISSEI CORPORCTION.成立于1942年,的中小型齿轮类传动产品制造商。产品包括各类小型齿轮、各类压 ...
日精株式会社、日精、nissei、GTR、日精减速电机G3L28N10-MC08TVDTN G3L28N100-CTB020WZ G3L28N10-CHM0...
日精专用伺服减速器其他型号AF3SZ系列, AF3SZ25-40M200S5 AF3SZ30-40H400F1
锂电窑炉专用减速电机 ,窑炉设备传动系统主要包括辊棒、传动齿轮、传动轴、减速机和变频调速电机等,共3套主传动,系统工作时由调速电机控制减速机的输出轴按一定速度转...
版权所有:广州市唐安电子设备责任有限公司 粤ICP备18137296号
技术支持:易动力网络