广州市唐安电子设备责任有限公司-为价值而生!
统一咨询热线:
020-22043406 分机号:801
首页
公司简介
产品中心
Nissei日精减速机
Mitsubishi三菱减速电机
Toshiba东芝伺服电机
Maeda koki 前田流量计
Hitachi日立齿轮电机
Fuji富士电机
tsubaki椿本
新闻资讯
公司新闻
行业新闻
联系我们
当前位置:
首页
>
新闻资讯
新闻中心
公司新闻
行业新闻
全国服务热线
17101850785
供应三菱平行轴GM-DB 0.4kW 1/120
2020-02-15
日精GTR减速电机GFMN-28-1800-T25...
2020-02-15
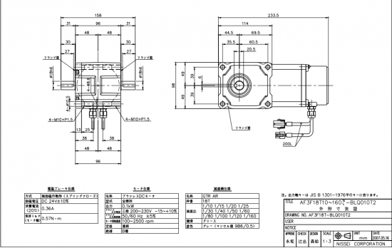
NISSEI日精刹车减速马达GFMN-22-750...
2020-02-15
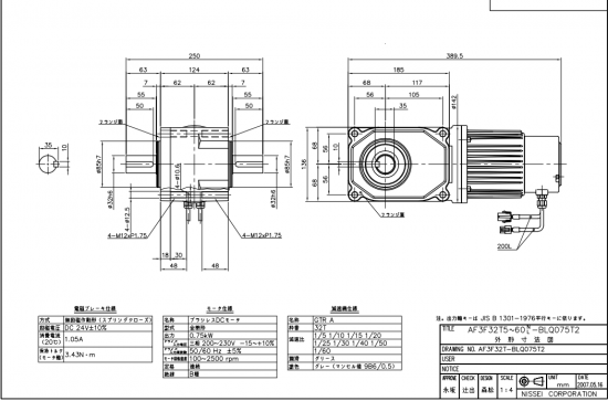
日精GTR感应齿轮减速电机GFMN-32-600-...
2020-02-15
GTR齿轮感应电机GL12N040-CTBL25N...
2020-02-15
GTR感应齿轮电机GL12N005-CTBL25W...
2020-02-15
GTR日精减速机GL18N160-CSMY40WN
2020-02-14
日精GTR减速马达GL15N030-CTBR60W...
2020-02-14
日本GTR减速电机GFMR-15-80-T40
2020-02-14
日本原装进口减速电机GFMR-12-7.5-S15
2020-02-14
供应空心轴减速机F3S20N007-CTB010W...
2020-02-12
小马达三菱GM-S 0.2kW 1/30
2020-02-12
共 2230 条 145 / 186 页
首页
«
143
144
145
146
147
»
末页
版权所有:广州市唐安电子设备责任有限公司
粤ICP备18137296号
技术支持:
易动力网络