广州市唐安电子设备责任有限公司-为价值而生!
统一咨询热线:
020-22043406 分机号:801
首页
公司简介
产品中心
Nissei日精减速机
Mitsubishi三菱减速电机
Toshiba东芝伺服电机
Maeda koki 前田流量计
Hitachi日立齿轮电机
Fuji富士电机
tsubaki椿本
新闻资讯
公司新闻
行业新闻
联系我们
当前位置:
首页
>
新闻资讯
新闻中心
公司新闻
行业新闻
全国服务热线
17101850785
日精直交轴HF15T025-CSBL25WT
2020-02-28
GTR日精电机FS55N80-WC15TNJEN
2020-02-28
供应三菱马达SF-PRV 200 V-4p-0.7...
2020-02-27
三菱SF-PRO200V-4P-0.75kW
2020-02-27
供应平行轴电机G3L50N80-MC22TWJTJ...
2020-02-27
日精电机带手刹G3L50N450-MC08TWDT...
2020-02-27
到货一批三菱马达SF-PR 400V-6P-2.2...
2020-02-27
NISSEI日精电机G3F40N160-MC08T...
2020-02-27
日本进口日精F2SV-25-12.5-T020WE
2020-02-26
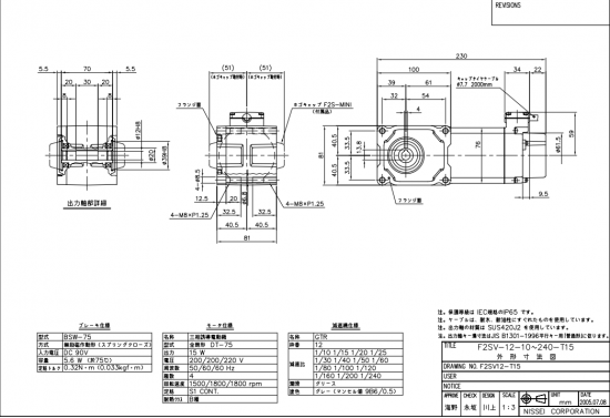
日本原装进口日精电机F2SV-12-15-T15
2020-02-26
MITSUBISHI三菱防爆电机XF-NE(200...
2020-02-26
日本防爆三菱电机XF-NE 0.75kw 4P 4...
2020-02-26
共 2187 条 133 / 183 页
首页
«
131
132
133
134
135
»
末页
版权所有:广州市唐安电子设备责任有限公司
粤ICP备18137296号
技术支持:
易动力网络