广州市唐安电子设备责任有限公司-为价值而生!
17101850785

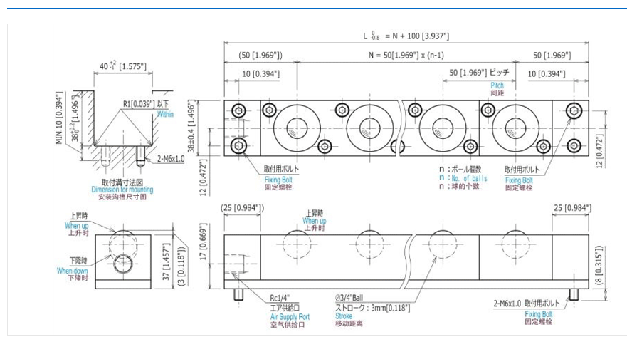
液晶显示面板专用ISB株式会社井口机工制作所ISR38-100-A
广州市唐安刘文-171-0185-0785(同微信)
广州市唐安刘文液晶显示面板专用ISB株式会社井口机工制作所ISR38-100-A,公司名称『株式会社 井口机工制作所』董事长井口 薫, 公司设立于1969年。已有60多年历史,注册资金4500万日币,主要销售产品有万向球,SW特殊车轮、万向球提升器(浮动导轨)、旋转台(建设大臣认定935号)、振动防止机、立体车库用防坠器、防坠设备、机电螺线管在台湾有办事处。产品主要应用在各种FPD/LCD/有机EL、SED等制造设备。
及周边机器厂家,半导体制造设备、汽车制造、立体停车库、重工业、制铁机械、机床设备、食品制造、光学机器、机场设备、发电设备;
将一个大球放置于无数个小球上,再搭配支撑底座,最后盖上封盖而组成ISB万向球。
ISB万向球大致分为向上专用和向下专用。一般而言向上使用为基本的使用方法,也有像小脚轮一样向下使用及各种机械的顶柱导向部位的应用方法。
利用ISB的万向球可以轻松地使搬送物体360度全方位顺畅地移动。
无尘室专用与一般用万向球的差异
无尘室专用万向球广泛应用于FPD制造设备、太阳能电池制造设备等,主要用于无尘室内。也适用于高温、真空环境下的玻璃定位等。
一般用万向球除了无尘室以外的搬送设备,还适用于重荷重物体的搬送及方向转换。有着各式各样的产品阵容。
广州市唐安刘文 ISB井口机工型号如下:
ISR38-100-A
ISR38-150-A
ISR38-200-A
ISR38-250-A
ISR38-300-A
ISR38-350-A
ISR38-400-A
ISR38-450-A
ISR38-500-A
ISR38-550-A
ISR38-600-A
ISR38-650-A
ISR38-700-A
ISR38-750-A
ISR38-800-A
ISR38-850-A
ISR38-900-A
ISR38-950-A
ISR38-1000-A
广州市唐安刘文 ISB井口机工型号如下:
ISR38-100-A
ISR38-150-A
ISR38-200-A
ISR38-250-A
ISR38-300-A
ISR38-350-A
ISR38-400-A
ISR38-450-A
ISR38-500-A
ISR38-550-A
ISR38-600-A
ISR38-650-A
ISR38-700-A
ISR38-750-A
ISR38-800-A
ISR38-850-A
ISR38-900-A
ISR38-950-A
ISR38-1000-A
广州市唐安刘文 ISB井口机工型号如下:
IS-05N
IS-06N
IS-08N
IS-10N
IS-13N
IS-16N
IS-19N
IS-25N
IS-38N
IS-05SNM
IS-06SNM
IS-08SNM
IS-05SN
IS-06SN
IS-08SN
IS-10SN
IS-13SN
IS-16SN
IS-19SN
IS-25SN
IS-38SN
广州市唐安刘文 ISB井口机工型号如下:
IS-10B
IS-13B
IS-19B
IS-25B
IS-38B
IS-10BF
IS-13BF
IS-19BF
IS-25BF
IS-38BF
IS-14BM
IS-19BM
価格・納期
型式
IA-19
IA-25
IA-38
IA-19R
IA-25R
IA-38R
广州市唐安刘文 ISB井口机工型号如下:
IB-19
IB-25
IB-19S
IB-25S
型式
IM-16
IM-25
IM-16R
IM-25R
IM-16S
IM-25S
IM-16J
IM-25J
IM-16SJ
IM-25SJ
广州市唐安刘文 ISB井口机工型号如下:
S-05
S-06
S-08
S-10
S-13
S-22
S-25
S-38
S-51
S-76
型式
US-16
US-25
US-16S
US-25S
US-16J
US-25J
US-16SJ
US-25SJ
广州市唐安刘文 ISB井口机工型号如下:
IP-16W
IP-16B
IP-25W
IP-25B
価格・納期
型式
IJH-19
IJH-25
IJH-38
IJP-19
IJP-25
IJP-38
型式
IK-19
IK-22
IK-25
IK-38
IK-51
IK-76
IK-100
IK-127
广州市唐安刘文 ISB井口机工型号如下:
IK-19N
IK-22N
IK-25N
IK-38N
IK-51N
IK-13NM
IK-16NM
IK-19NM
IK-22NM
IK-25NM
IK-13SNM
IK-16SNM
IK-19SNM
IK-22SNM
IK-25SNM
型式
IP-16NW
IP-16NB
型式
IR-100
IR-125
IR-150
IR-100L
IR-125L
IR-150L
型式
SW-50-I
SW-70-I
SW-80-I
SW-100-I
SW-130-I
SW-150-I
SW-180-I
SW-225-I
SW-250-I
SW-50-K
SW-70-K
SW-80-K
SW-100-K
SW-130-K
SW-150-K
SW-180-K
SW-225-K
SW-250-K
SW-130-BS-I
SW-185-BS-I
SW-250-BS-I
型式
IRT-300
IRT-400
IRT-500
IRT-500R
型式
IRH-300
IRH-400
IRH-455
广州市唐安刘文 ISB井口机工型号如下:
ISB-S-06
ISB-S-06-H
ISB-S-09
ISB-S-09-H
型式
IRL-300
IRL-300T
型式
IRT-300M
IRT-400M
IRT-500M
型式
ISC-10V1C-V1
ISC-10V1S-V1
ISC-10JS-J
ISC-10U1S-J
ISC-10FS-J
ISC-10P1S-J
ISC-10V1S-J
ISC-10U1S-U1
ISC-10FS-U1
ISC-10P1S-U1
ISC-10V1S-U1
ISC-10FS-F
ISC-10P1S-F
ISC-10V1S-F
ISC-10P1S-P1
ISC-10V1S-P1
型式
ISC-10JS-SJ
ISC-10U1S-SU1
ISC-10P1S-SP1
ISC-10P2S-SP1
ISC-10V1S-SV1
ISC-10V2S-SV1
型式
ISC-16JS-J
ISC-16U1S-J
ISC-16FS-J
ISC-16P1S-J
ISC-16V1S-J
価格・納期
型式
ISC-16JS-SJ
ISC-16U1S-SJ
ISC-16FS-SJ
ISC-16P1S-SJ
ISC-16V1S-SJ
ISC-16U2S-SJ
ISC-16P2S-SJ
型式
ISCS-10JS-J
ISCS-10U1S-J
ISCS-10FS-J
ISCS-10P1S-J
ISCS-10V1S-J
型式
IP-16JW
IP-16U1W
IP-16P1W
IP-16V1W
IP-16U2B
IP-25JW
IP-25U1W
IP-25P1W
IP-25U2B
IPK-22
型式
IBU-600-100
IBU-900-75
IBU-900-100
IBU-1200-100
版权所有:广州市唐安电子设备责任有限公司 粤ICP备18137296号
技术支持:易动力网络