广州市唐安电子设备责任有限公司-为价值而生!

  • 统一咨询热线: 020-22043406 分机号:801
当前位置:首页 > 新闻资讯
新闻中心
全国服务热线

17101850785

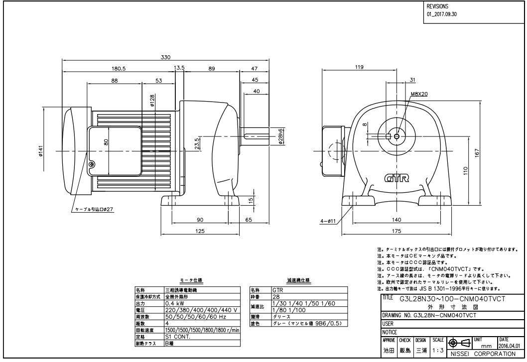
日精齿轮传动减速电机G3L28N40-CNM040TVCT
发布时间:2020-08-15 17:06:00 点击次数:713

blob.png日精齿轮传动减速电机G3L28N40-CNM040TVCT电压380V/50HZ应用在电气行业

广州市唐安刘工:171-0185-0785(微信同号)QQ:3114407237

日精减速机 [1]  是株式会社日精NISSEI CORPORATION.下的最主要产品,包括中小功率减速机和伺服电机用减速机。株式会社日精成立于1942年,是日本知名的综合传动产品制造商之一,为日本公众上市公司。

广州市唐安公司产品主要经营GTR日精减速电机、三菱减速马达、东荣TOEI伺服马达、Maeda koki 前田流量计、KYOWA 协和万向节等,我们还与其他厂商建立了良好的代理协作关系,为顾客提供种类繁多价格可靠的众多产品,以及有效地降低了采购和物流成本。公司产品广泛应用于机械制造、印刷机械、食品包装、纺织印染、输送设备、锂电输送设备、环保设备、电子半导体设备、锂电窑炉设备、冶金矿山、石油化工、电力设备、起重运输、制药制革、机床、电梯、造纸设备、烟草机械、等轻、重工业机械传动领域。

广州市唐安销售日精减速机型号如下:

G3L28N40-CNW040TVCE

G3L28N40-CNG040TVCE

G3L28N40-CNG040TVCE

G3L28N40-CNM040TVCT

G3L28N40-CNM040TVCT

G3L28N40-CNB040TWCT

G3L28N40-CNV040TBCE

G3L28N40-CNW040TNCE

G3L28N40-CNV040TNCE

G3L28N40-CNV040TPCE

G3L28N40-CNH040TBCE

G3L28N40-CNG040TNCE

G3L28N40-CNH040TNCE

G3L28N40-CNH040TPCE

G3L28N40-CNB040TBCT

G3L28N40-CNM040TNCT

G3L28N40-CNB040TNCT

G3L28N40-CNB040TPCT

G3L28N40-CNW040TVCE

G3L28N40-CNG040TVCE

广州市唐安销售日精减速机型号如下:G3L28N10-WC08TNDENG3L28N5-WC08TNDEN

G3L28N15-WC08TNDEN

G3L28N20-WC08TNDEN

G3L28N25-WC08TNDEN

G3L28N5-WC08TNDEV2

G3L28N10-WC08TNDEV2

G3L28N15-WC08TNDEV2

G3L28N20-WC08TNDEV2

G3L28N25-WC08TNDEV2

G3L28N5-MC08TNDTJ2

G3L28N10-MC08TNDTJ2

G3L28N15-MC08TNDTJ2

G3L28N375-CNB010TBCT

G3L28N450-CNB010TBCT

G3L28N300-CNB010TPCT

G3L28N375-CNB010TPCT

G3L28N450-CNB010TPCT

G3L28N300-CNW010TVCE

G3L28N100-CNB020TWCT

G3L28N120-CNB020TWCT

G3L28N160-CNB020TWCT

G3L28N200-CNB020TWCT

G3L28N100-CNV020TBCE

G3L28N120-CNV020TBCE

G3L28N160-CNV020TBCE

G3L28N200-CNV020TBCE

G3L28N100-CNW020TNCE

G3L28N120-CNW020TNCE

G3L28N160-CNW020TNCE

G3L28N200-CNW020TNCE

G3L28N100-CNV020TNCE

G3L28N100-CNV020TPCE

G3L28N120-CNV020TNCE

G3L28N120-CNV020TPCE

G3L28N160-CNV020TNCE

G3L28N160-CNV020TPCE

G3L28N200-CNV020TNCE

G3L28N200-CNV020TPCE

G3L28N100-CNH020TBCE

G3L28N120-CNH020TBCE

G3L28N160-CNH020TBCE

G3L28N200-CNH020TBCE

G3L28N100-CNG020TNCE

G3L28N120-CNG020TNCE

G3L28N160-CNG020TNCE

G3L28N200-CNG020TNCE

G3L28N100-CNH020TNCE

G3L28N100-CNH020TPCE

G3L28N120-CNH020TNCE

G3L28N120-CNH020TPCE

G3L28N160-CNH020TNCE

G3L28N160-CNH020TPCE

G3L28N200-CNH020TNCE

G3L28N200-CNH020TPCE

G3L28N100-CNB020TBCT

G3L28N120-CNB020TBCT

G3L28N160-CNB020TBCT

广州市唐安销售日精减速机型号如下:

G3L18N30-MM01TNNTJ2


G3L18N40-MM01TNNTJ2


G3L18N50-MM01TNNTJ2


G3L18N5-MM02TNNTJ2


G3L18N10-MM02TNNTJ2


G3L18N15-MM02TNNTJ2



G3L18N20-MM02TNNTJ2



G3L18N25-MM02TNNTJ2

G3L18N25-MM02TNNTJ2

G3L18N005-CTJ010WA

G3L18N005-CTJ010WZ

G3L18N010-CTJ010WA

G3L18N010-CTJ010WZ

G3L18N015-CTJ010WA

G3L18N015-CTJ010WZ

G3L18N020-CTJ010WA

G3L18N020-CTJ010WZ

G3L18N025-CTJ010WA

G3L18N025-CTJ010WZ

G3L18N030-CTJ010WA

G3L18N030-CTJ010WZ

G3L18N040-CTJ010WA

G3L18N040-CTJ010WZ

G3L18N050-CTJ010WA

G3L18N050-CTJ010WZ

G3L18N005-CTJ020WA

G3L18N005-CTJ020WZ

G3L18N010-CTJ020WA

G3L18N010-CTJ020WZ

G3L18N015-CTJ020WA

G3L18N015-CTJ020WZ

G3L18N020-CTJ020WA

G3L18N020-CTJ020WZ

G3L18N025-CTJ020WA

G3L18N025-CTJ020WZ

G3L18N10-MM01TWNTJ4

G3L18N10-MM02TWNTJ4

G3L18N15-MM01TWNTJ4

G3L18N15-MM02TWNTJ4

G3L18N20-MM01TWNTJ4

G3L18N20-MM02TWNTJ4

G3L18N25-MM01TWNTJ4

G3L18N25-MM02TWNTJ4

G3L18N30-MM01TWNTJ4

广州市唐安销售日精减速机型号如下:

G3L18N15-CNW010TNCE

G3L18N20-CNW010TNCE

G3L18N25-CNW010TNCE

G3L18N30-CNW010TNCE

G3L18N40-CNW010TNCE

G3L18N50-CNW010TNCE

G3L18N5-CNV010TNCE

G3L18N5-CNV010TPCE

G3L18N10-CNV010TNCE

G3L18N10-CNV010TPCE

G3L18N15-CNV010TNCE

G3L18N15-CNV010TPCE

G3L18N20-CNV010TNCE

G3L18N20-CNV010TPCE

G3L18N25-CNV010TNCE

G3L18N25-CNV010TPCE

G3L18N30-CNV010TNCE

G3L18N30-CNV010TPCE

G3L18N40-CNV010TNCE

G3L18N40-CNV010TPCE

G3L18N50-CNV010TNCE

G3L18N50-CNV010TPCE

G3L18N5-CNH010TBCE

G3L18N10-CNH010TBCE

G3L18N15-CNH010TBCE

G3L18N20-CNH010TBCE

G3L18N25-CNH010TBCE

G3L18N30-CNH010TBCE

G3L18N40-CNH010TBCE

G3L18N50-CNH010TBCE

G3L18N5-CNG010TNCE

G3L18N10-CNG010TNCE

G3L18N15-CNG010TNCE

G3L18N20-CNG010TNCE

G3L18N25-CNG010TNCE

G3L18N30-CNG010TNCE

G3L18N40-CNG010TNCE

G3L18N50-CNG010TNCE

G3L18N5-CNH010TNCE

G3L18N5-CNH010TPCE

G3L18N10-CNH010TNCE

G3L18N10-CNH010TPCE

G3L18N15-CNH010TNCE

G3L18N15-CNH010TPCE

G3L18N20-CNH010TNCE

G3L18N20-CNH010TPCE

G3L18N25-CNH010TNCE

G3L18N25-CNH010TPCE

G3L18N30-CNH010TNCE

G3L18N30-CNH010TPCE

G3L18N40-CNH010TNCE

广州市唐安销售日精减速机型号如下:

G3L18N40-CNH010TPCE

G3L18N50-CNH010TNCE

G3L18N50-CNH010TPCE

G3L18N5-CNB010TBCT

G3L18N10-CNB010TBCT

G3L18N15-CNB010TBCT

G3L18N20-CNB010TBCT

G3L18N25-CNB010TBCTG3L32N900-MM01TNNTN

G3L32N600-MM01TNNTB2

G3L32N750-MM01TNNTB2

G3L32N900-MM01TNNTB2

G3L32N12X-MM01TNNTB2

G3L32N12X-MM01TNNTB2


G3L32N300-MM02TNNTN


G3L32N375-MM02TNNTN


G3L32N450-MM02TNNTN


G3L32N300-MM02TNNTB2



G3L32N375-MM02TNNTB2



G3L32N450-MM02TNNTB2

G3L32N450-MM02TNNTB2


G3L32N100-MM04TNNTN


G3L32N120-MM04TNNTN


G3L32N160-MM04TNNTN


G3L32N200-MM04TNNTN


G3L32N100-MM04TNNTB2



G3L32N120-MM04TNNTB2




G3L32N200-MM04TNNTB2

G3L32N200-MM04TNNTB2

G3L32S600-WM01TNNEN

G3L32S750-WM01TNNEN

G3L32S12X-WM01TNNEN

G3L32S600-WM01TNNEV2

G3L32S900-WM01TNNEV2


广州市唐安销售日精减速机型号如下:

G3L32N160-CNM040TVCT

G3L32N200-CNM040TVCT

G3L32N100-CNM040TVCT

G3L32N120-CNM040TVCT

G3L32N160-CNM040TVCT


G3L32N750-MM01TNNTJ2



G3L32N900-MM01TNNTJ2


G3L32N12X-MM01TNNTJ2



G3L32N300-MM02TNNTJ2


G3L32N375-MM02TNNTJ2


G3L32N450-MM02TNNTJ2


G3L32N100-MM04TNNTJ2


G3L32N120-MM04TNNTJ2


G3L32N160-MM04TNNTJ2


G3L32N200-MM04TNNTJ2


G3L32N600-CTJ010WA

G3L32N600-CTJ010WZ

G3L32N750-CTJ010WA

G3L32N750-CTJ010WZ

G3L32N900-CTJ010WA

G3L32N900-CTJ010WZ

G3L32N12X-CTJ010WA

G3L32N12X-CTJ010WZ

G3L32N300-CTJ020WA

G3L32N300-CTJ020WZ

G3L32N375-CTJ020WA

G3L32N375-CTJ020WZ

G3L32N450-CTJ020WA

G3L32N450-CTJ020WZ

G3L32N100-CTJ040WA

G3L32N100-CTJ040WZ

G3L32N120-CTJ040WA

G3L32N120-CTJ040WZ

G3L32N160-CTJ040WA

G3L32N160-CTJ040WZ

G3L32N200-CTJ040WA

G3L32N200-CTJ040WZ

广州市唐安销售日精减速机型号如下:

G3L32N100-MM04TWNTJ4

G3L32N12X-MM01TWNTJ4

G3L32N120-MM04TWNTJ4

G3L32N160-MM04TWNTJ4

G3L32N200-MM04TWNTJ4

G3L32N300-MM02TWNTJ4

G3L32N375-MM02TWNTJ4

型号说明

G3L32N100-MN05TVCTN

G3L32N30-MN05TWCTB2

G3L32N40-MN05TWCTB2

G3L32N50-MN05TWCTB2

G3L32N60-MN05TWCTB2

G3L32N80-MN05TWCTB2

G3L32N100-MN05TWCTB2

G3L32N30-WN05TWCEV2

G3L32N40-WN05TWCEV2

G3L32N50-WN05TWCEV2

G3L32N60-WN05TWCEV2

G3L32N80-WN05TWCEV2

G3L32N100-WN05TWCEV2

G3L32N30-MN05TWCTJ2

G3L32N40-MN05TWCTJ2

G3L32N50-MN05TWCTJ2

G3L32N60-MN05TWCTJ2

G3L32N80-MN05TWCTJ2

G3L32N100-MN05TWCTJ2

G3L32N30-MN05TBCTJ2

G3L32N40-MN05TBCTJ2

G3L32N50-MN05TBCTJ2

G3L32N60-MN05TBCTJ2

G3L32N80-MN05TBCTJ2

G3L32N100-MN05TBCTJ2

G3L32N30-MC08TBDTB2

G3L32N40-MC08TBDTB2

G3L32N50-MC08TBDTB2

G3L32N60-MC08TBDTB2

G3L32N80-MC08TBDTB2

G3L32N100-MC08TBDTB2

G3L32N30-WC08TBDEV2

G3L32N40-WC08TBDEV2

G3L32N50-WC08TBDEV2

广州市唐安销售日精减速机型号如下:

G3L32N60-WC08TBDEV2

G3L32N80-WC08TBDEV2

G3L32N100-WC08TBDEV2

G3L32N30-MC08TBDTJ2

版权所有:广州市唐安电子设备责任有限公司   粤ICP备18137296号

技术支持:易动力网络